
| 规格说明 | FT-310H |
| 锁紧方式 | 油压 35kg/cm2 |
| 盘面尺寸 | Ø500mm |
| 贯穿孔径 | Ø141mm |
| 中心高度 | 310mm |
| 锁紧力 | 250kgf/m |
| 净重(不含马达) | 350KGS |
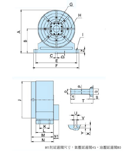
| 机型/尺寸 | ||||||||
| FT-310H | A | B | C | D | E | F | G | H |
| 560 | 540 | 18 | 7 | 540 | 600 | Ø218 | 8-18 | |
| I | J | K | L | M | N | O | P | |
| 4-Ø 18 | Ø500 | 90 | 195 | 202 | - | Ø140 | Ø140 | |
| Q | R | S | T | U | V | X | Y | |
| Ø140 | - | 15 | 156 | 30 | 18 | 30 | 12 | |
| Z | ||||||||
| 40 | ||||||||
