
| 规格说明 | FT-160H |
| 锁紧方式 | 油压 35kg/cm2 |
| 盘面尺寸 | Ø255mm |
| 贯穿孔径 | Ø55mm |
| 中心高度 | 160mm |
| 锁紧力 | 50kgf/m |
| 净重(不含马达) | 70KGS |
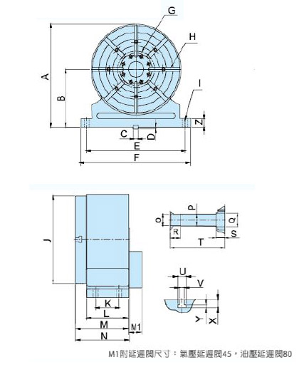
| 机型/尺寸 | ||||||||
| FT-160P/ H | A | B | C | D | E | F | G | H |
| 295 | 160 | 18 | 7 | 200 | 270 | Ø111 | 4-14 | |
| I | J | K | L | M | N | O | P | |
| 4-Ø 18 | Ø255 | 84 | 124 | 171 | 175 | Ø80 | Ø55 | |
| Q | R | S | T | U | V | X | Y | |
| Ø55 | 65 | - | 175 | 19 | 12 | 19 | 8 | |
| Z | ||||||||
| 25 | ||||||||
