Toggle navigation
昆山总公司:
昆山市北门路国际模具城制造区31幢5号
全国服务热线:
13862633628
首页
关于野士
产品展示
五軸數控磨刀機
实绩案例
视频资料
联系我们
搜索
NC分度盘第四轴
YW-P系列(氣壓鎖緊)
YW-125P
YW-170P左手型
YW-170P-V
YW-200P-V
YW-255P-V/H
YW-H系列(油壓鎖緊)
YW-170H-V
YW-200H-V
YW-255H-V/H
YW-320H-V/H
YW-400H-H
YW-500H-H/YW-B500H-H
YW-630H-H/YW-B630H-H
YSC滾子凸輪系列
YSC-170H
YSC-200H
YSC-255-H
YSC-320H
YSC-400H
YNC3數控油壓齒式分度盤
YNC3-250H-V/H
YNC3-320H-V/H
YNC3-400H-V/H
YNC3-500H-V/H
YNC3-250HA2(適用雙面精銑機)
YNC3-380HA2(適用雙面精銑機)
YACW系列NC雙軸旋轉工作臺
YACW-130
YACW-180
YACW-250
YACW-350
臥式數控油壓齒式分割盤
YNCH-500
YNCH-630H
YNCH-800H
YCH3系列油壓齒式分割臺
YCH3-200-H
YCH3-255-H
YCH3-340-H
YCH3-470-H
YCH3-600-H
YCH3-800-H
齒式油壓高精度分割臺(橫式)
YCH3-470
YCH3-600
YCH3-800
YCV3-200V
YCV3-255V
YCV3-320V
YCV3-470V
YCR3-300W/H(水車式)
YHCTH系列 立式油壓齒式分割臺
YHCTH-255
YHCTH-320
高精密齒式手動分割臺(氣壓)
YSCT-200
YSCT-300
YSCT-450
YSCT-600
YSCT-700
YSCT-800
YSCT-1000
YSCT-1200
YSCT-1500
YTH系列(油壓鎖緊)
YTH-500
YTH-630
YTH-800
圓盤尾座
FT-170P/H
FT-200P/H
FT-250P/H
FT-320H
頂針尾座
PTM-160PC(自動)
HTM-210HC(自動)
MT-160S(手動)
附件
L塊
三爪背板及三爪應用
墊高塊
單軸控制器
油壓單元
中板
迴轉缸
TD系列
TDE-125P
TD-170P
TD-170L
TD-200P
TD-255P
TD-255H
TD-255L
TDE-255H
TD-320H
TD-400H
TD-500H
TH-500A
TH-500B
TD-630H
TDH-800
TD-1000H
TE系列
TE-125AP
TE-170P
TE-200P
TE-200H
TE-255P
TE-255H
TE-800H
最新产品
DD马达系列
双轴NC旋转工作台
数控磨刀机专用系列
圆盘
FT-110P
FT-135P
FT-135PB
FT-160AP
FT-160AH
FT-160P
FT-160H
FT-210H
FT-255AH
FT-310H
快速換模
磁盤工裝夾具
電磁吸盤
304
電控永磁吸盤
永磁吸盤
油霧機
YES-750
YES-750
FT-135P
当前位置:
主页
>
产品展示
>
NC分度盘第四轴
>
圆盘
>
FT-135P
FT-135P
商品介紹
规格说明
外观尺寸图
1. 气压锁紧采用全面碟式刹车锁紧方式。
2. 油压锁紧采用全圆周油压环抱锁紧方式。
3. 可与TD,CV3,NC3 系列搭配使用。
4. 与NC3,CV3 系列搭配时, 请选择有延迟阀的(D)。
规格说明
FT-135P
锁紧方式
气压 5kg/cm2
盘面尺寸
Ø170mm
贯穿孔径
Ø20mm
中心高度
135mm
锁紧力
16kgf/m
净重(不含马达)
22KGS
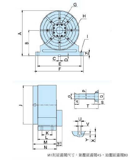
机型/尺寸
F T-135P
A
B
C
D
E
F
G
H
220
135
14
7
200
245
Ø80
4-12
I
J
K
L
M
N
O
P
4-Ø 14
Ø170
69
95
101
-
Ø50
Ø20
Q
R
S
T
U
V
X
Y
Ø20
24
-
101
19
12
19
8
Z
25
单位mm
>
展开
收缩
QQ咨询
在线咨询
销售:张经理
销售:王小姐
销售:王小姐
售服:王工
电话咨询
138-6263-3628