Toggle navigation
昆山总公司:
昆山市北门路国际模具城制造区31幢5号
全国服务热线:
13862633628
首页
关于野士
产品展示
五軸數控磨刀機
实绩案例
视频资料
联系我们
搜索
NC分度盘第四轴
YW-P系列(氣壓鎖緊)
YW-125P
YW-170P左手型
YW-170P-V
YW-200P-V
YW-255P-V/H
YW-H系列(油壓鎖緊)
YW-170H-V
YW-200H-V
YW-255H-V/H
YW-320H-V/H
YW-400H-H
YW-500H-H/YW-B500H-H
YW-630H-H/YW-B630H-H
YSC滾子凸輪系列
YSC-170H
YSC-200H
YSC-255-H
YSC-320H
YSC-400H
YNC3數控油壓齒式分度盤
YNC3-250H-V/H
YNC3-320H-V/H
YNC3-400H-V/H
YNC3-500H-V/H
YNC3-250HA2(適用雙面精銑機)
YNC3-380HA2(適用雙面精銑機)
YACW系列NC雙軸旋轉工作臺
YACW-130
YACW-180
YACW-250
YACW-350
臥式數控油壓齒式分割盤
YNCH-500
YNCH-630H
YNCH-800H
YCH3系列油壓齒式分割臺
YCH3-200-H
YCH3-255-H
YCH3-340-H
YCH3-470-H
YCH3-600-H
YCH3-800-H
齒式油壓高精度分割臺(橫式)
YCH3-470
YCH3-600
YCH3-800
YCV3-200V
YCV3-255V
YCV3-320V
YCV3-470V
YCR3-300W/H(水車式)
YHCTH系列 立式油壓齒式分割臺
YHCTH-255
YHCTH-320
高精密齒式手動分割臺(氣壓)
YSCT-200
YSCT-300
YSCT-450
YSCT-600
YSCT-700
YSCT-800
YSCT-1000
YSCT-1200
YSCT-1500
YTH系列(油壓鎖緊)
YTH-500
YTH-630
YTH-800
圓盤尾座
FT-170P/H
FT-200P/H
FT-250P/H
FT-320H
頂針尾座
PTM-160PC(自動)
HTM-210HC(自動)
MT-160S(手動)
附件
L塊
三爪背板及三爪應用
墊高塊
單軸控制器
油壓單元
中板
迴轉缸
最新产品
DD马达系列
双轴NC旋转工作台
数控磨刀机专用系列
快速換模
磁盤工裝夾具
電磁吸盤
電控永磁吸盤
永磁吸盤
油霧機
YES-750
選購配件
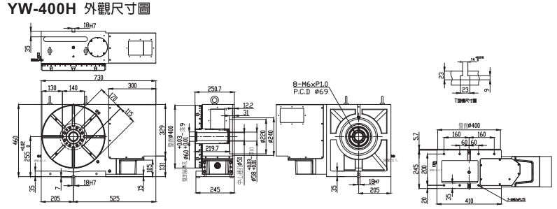
YW-400H-H
当前位置:
主页
>
产品展示
>
NC分度盘第四轴
>
YW-H系列(油壓鎖緊)
>
YW-400H-H
YW-400H-H
商品介紹
规格说明
外观尺寸图
>
展开
收缩
QQ咨询
在线咨询
销售:张经理
销售:王小姐
销售:王小姐
售服:王工
电话咨询
13862633628