

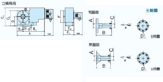
| 规格说明 | TDE-125P | |
| 使用方法 | 可立横两用 | |
| 锁紧方式 | 气压 5kg/cm2 | |
| 盘面尺寸 | Ø125mm | |
| 贯穿孔径 | Ø15mm | |
| 圆盘中心孔径 | Ø20H7mm | |
| 中心高度 | 110mm | |
| 盘面T型槽宽度 | 12H7mm | |
| 定位键 | 14h7mm | |
| 伺服马达 | • 发那科 | α2i / β2i |
| • 三 菱 | HF44S/HF105S | |
| 总减速比 | 1/48 | |
| 最小设定单位 | 0.001° | |
| 累积分割精度 | 45弧秒 | |
| 重复精度 | 4弧秒 | |
| 锁紧力 | 8kgf/m | |
| 蜗轮最大切削力 | 15kgf/m | |
| 最大负载 | • 垂直(使用尾座) | 50(100)KGS |
| • 水平 | 100KGS | |
| 净重(不含马达) | 25KGS | |